Ulei motor
Ulei hidraulic
Alimentare si injectie
Biele si piese conexe
Bloc motor
Chiulasa
Distributie
Evacuare si admisie
Garnituri motor
Vibrochen si volanta
Pistoane, segmenti, camasi
Pompe ulei motor
Racire motor
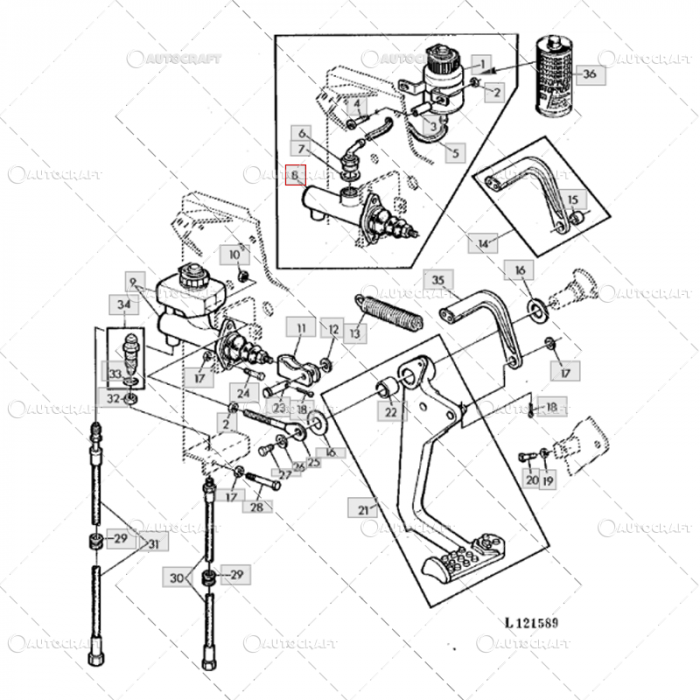
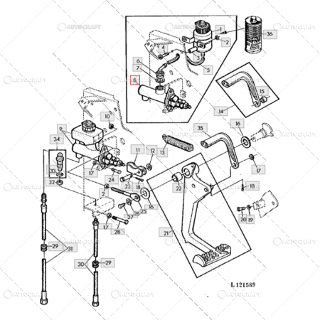
Ambreiaj
Componente electrice
Contact de pornire
Contact frana
Directie
Filtre
Franare
Roti fata si spate
Punte fata 4 roţi motrice
Bloc hidraulic monobloc
Cutie de viteze
Reductor transmisie
Priza de putere
Curele, lanturi, pinioane
Avertizari luminoase
Proiectoare led
Lumini
Becuri
Mufe bec
Becuri bord
Demaror
Sistem pornire, intrerupatoare
Circuitul electric
Baterii
Furtun combustibil
Conducte frana
Geamuri
Accesorii cabina
Reparatii caroserie
Cardane
Cruci cardanice
Furci cardanice
Articulatii cardanice
Lanturi cu role
Roti pentru lanturi
Inele de siguranta
Pene ax
Suruburi
Coliere
Cabluri Joystick
Maneta Joystick
Accesorii incarcatoare
Dejectii, imprastiat gunoi
Mig imprastiat gunoi
Tiranti centrali
Intinzatori tiranti
Distribuitoare hidraulice
Furtunuri hidraulice
Nipluri, adaptori & garnituri
Garduri
Adapatori
Curele trapezoidale
Curele prese baloti
Agrafe imbinare curele
Lagare cu rulmenti
Rulmenti
Prelungitoare valva
Furtunuri pneumatice
Mufe rapide plastic
Cuple furtun spiralat
Cuple rapide universale
Roti pentru curele trapezoidale
Roti pentru curele late
Durata de livrare: 1+ zile lucratoare in stoc, 1+ zile lucratoare stoc centrul logistic, preturile din transfer pot sa varieze
Produse disponibile Gama variata de produse
Deschidere colet Pentru toate produsele
Retur produse Termen de 15 zile
Consultanta tehnica Suport 24/7
Momentan, informatiile despre siguranta produsului nu sunt disponibile.
Momentan, informatiile despre producator nu sunt disponibile.
Momentan, informatiile despre persoana responsabila nu sunt disponibile.
Grupa: Piese tractor
Categorie: Ambreiaj
Subcategorie principala: Cilindru ambreiaj
Recomandari
Ultimele produse vizualizate
Newsletter Nu rata ofertele si promotiile noastre
Compara produse
Trebuie sa mai adaugi cel putin un produs pentru a compara produse.
A fost adaugat la favorite!
A fost sters din favorite!