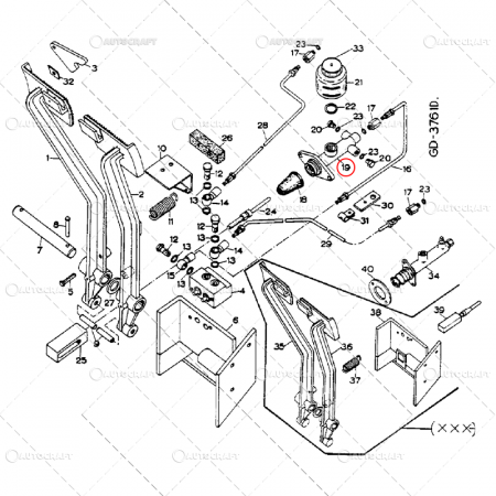
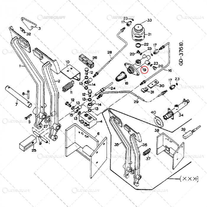
POMPA FRANA CASE IH 1046, 1246, 946, 1255, 1455

AUTOCRAFT
503,32 Lei
In stoc

Durata de livrare: 1+ zile lucratoare in stoc, 1+ zile lucratoare stoc centrul logistic, preturile din transfer pot sa varieze

Limita stoc
Adauga in cos
Cod Produs: 03/6211-18 Ai nevoie de ajutor? 0751102124
Adauga la Favorite Cere informatii
  • Descriere
  • Case-IH
  • Review-uri (0)
Case IH

Tractor
46
1046, 1246, 946,

55
1255, 1455,
Vezi mai mult Informatii conformitate produs
Case IH

Tractor
46
1046, 1246, 946,

55
1255, 1455,

Daca doresti sa iti exprimi parerea despre acest produs poti adauga un review.

Review-ul a fost trimis cu succes.

Compara produse

Trebuie sa mai adaugi cel putin un produs pentru a compara produse.

A fost adaugat la favorite!

A fost sters din favorite!